Трехшпиндельные головки Madaula позволяют повысить производительность в массовом производстве путем уменьшении времени на смену инструмента и сокращению количества установов.
Преимущества:
• Головки подходят для всех типов крепления: ISO, CAT, BT, DIN, HSK, CAPTO.
• Возможность разработки и производства головок от 2-х до 100 шпинделей.
• Доступна функция различных скоростей вращения для каждого шпинделя.
• Доступны высокосоростные решения (до 12000 RPM), позволяющие использовать современный производительный осевой инструмент.
• Все типы размеров, от миниатюрных до огромных.
• Многошпиндельные головки по низкой конкурентоспособной цене!
• Доступна функция подачи СОЖ через инструмент.
• Подходят для всех типов станков и обрабатывающих центров.
• Закаленные и шлифованные прецензионные подшипники.
• Высокое качество и точность исполнения.
• 100% продукции тестируются. Сертификат на каждую позицию.
• Небольшая масса.
Стандартные позиции для заказа серии CMX.../L3:
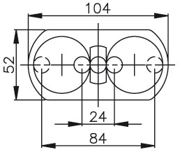
CMX12/L3
| Цанга |
Кол-во шпинделей |
Сверление, мм |
Обработка резьб |
Передача |
MAX RPM |
Масса, кг |
| ER-8 |
3 |
5 |
М3 |
1:1 |
4000 |
1.2 |

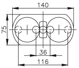
CMX18/L3
| Цанга |
Кол-во шпинделей |
Сверление, мм |
Обработка резьб |
Передача |
MAX RPM |
Масса, кг |
| ER-11 |
3 |
7 |
М5 |
1:1 |
3500 |
3.2 |

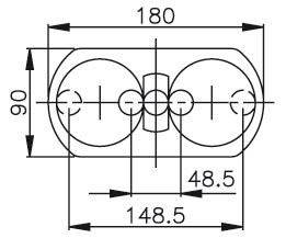
CMX24/L3
| Цанга |
Кол-во шпинделей |
Сверление, мм |
Обработка резьб |
Передача |
MAX RPM |
Масса, кг |
| ER-16 |
3 |
10 |
М6 |
1:1 |
3500 |
5.1 |

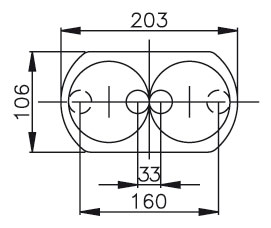
CMX33/L3
| Цанга |
Кол-во шпинделей |
Сверление, мм |
Обработка резьб |
Передача |
MAX RPM |
Масса, кг |
| ER-20 |
3 |
14 |
М12 |
1:1 |
3000 |
8.4 |
.jpg)